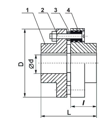
Назначение: МУВП предназначены для передачи крутящих моментов от электро и других двигателей к редукторам и от редукторов к исполнительным механизмам и оборудованию. МУВП компенсируют динамические нагрузки при запуске и остановке двигателя. Также, компенсируют незначительные отклонения от соосности валов.
Изготавливаем муфты диаметром до 400мм включительно, из стали марок 35 по ГОСТ 1050-60. Стальные муфты имеют гораздо больший срок службы, по сравнению с чугунными. Согласно ГОСТ 21424-93, МУВП изготавливаются следующих исполнений:
Исполнение 1- с цилиндрическими отверстиями для длинных концов валов по ГОСТ 12080
Исполнение 2- с цилиндрическими отверстиями для коротких концов валов по ГОСТ 12080
Исполнение 3- с коническими отверстиями для длинных концов валов по ГОСТ 12081
Исполнение 4- с коническими отверстиями для коротких концов валов по ГОСТ 12081
Условия эксплуатации:
- длительная работа до 24 час в сутки, или с периодическими остановками;
- с частотой вращения не более величин, указанных в таблице;
- с вращением в любую сторону;
- с климатическими исполнениями –У1, У2, У3, по ГОСТ 15150
Пример условного обозначения упругой втулочно-пальцевой муфты с номинальным крутящим моментом 250 Нм, диаметром посадочного отверстия d = 40 мм, исполнения 1 климатического исполнения У и категории 3: Муфта упругая втулочно-пальцевая 250—40—1 УЗ ГОСТ 21424—93
То же с номинальным крутящим моментом 250 Нм, одна из полумуфт диаметром d — 32 мм. исполнения 1, другая — диаметром d- 40 мм, исполнения 4, климатического исполнения Т и категории 2: Муфта упругая втулочно-пальцевая 250—32—1—40—4 Т2 ГОСТ 21424-93
 Описание нового изображения_0
                    Описание нового изображения_0
                
                            
                     Описание нового изображения_1
                    Описание нового изображения_1
                
                            
                     Описание нового изображения_2
                    Описание нового изображения_2
                
                            
                     Описание нового изображения_3
                    Описание нового изображения_3
                
                            
                     Описание нового изображения_4
                    Описание нового изображения_4
                
                            
                     Описание нового изображения_5
                    Описание нового изображения_5
                
                            
                     Описание нового изображения_6
                    Описание нового изображения_6
                
                            
                     Описание нового изображения_7
                    Описание нового изображения_7
                
                            
                     Описание нового изображения_8
                    Описание нового изображения_8
                
                            
                     Описание нового изображения_9
                    Описание нового изображения_9
                
                            
                     Описание нового изображения_10
                    Описание нового изображения_10
                
                            
                     Описание нового изображения_11
                    Описание нового изображения_11
                
                            
                     Описание нового изображения_0
                    Описание нового изображения_0
                
                            
                     Описание нового изображения_1
                    Описание нового изображения_1
                
                            
                     Описание нового изображения_2
                    Описание нового изображения_2
                
                            
                     Описание нового изображения_3
                    Описание нового изображения_3
                
                            
                     Описание нового изображения_4
                    Описание нового изображения_4
                
                    На нашем сайте доступны наши документы и лицензии. Любой желающий может с ними ознакомиться - мы работаем честно и абсолютно открыто, нам нечего скрывать. Кроме того, мы разместили для вашего удобства шаблон договора, вы можете скачать и ознакомиться с ним.
 
                                     
                     
                    